导航菜单
网站首页
公司简介
信息发布
行业动态
公司新闻
权威发布
版权发布
产品信息
合作代理
合同版本
合作场景
公司面貌
公司招聘
联系我们
您的位置:
主页
>
信息发布
>
行业动态
行业动态
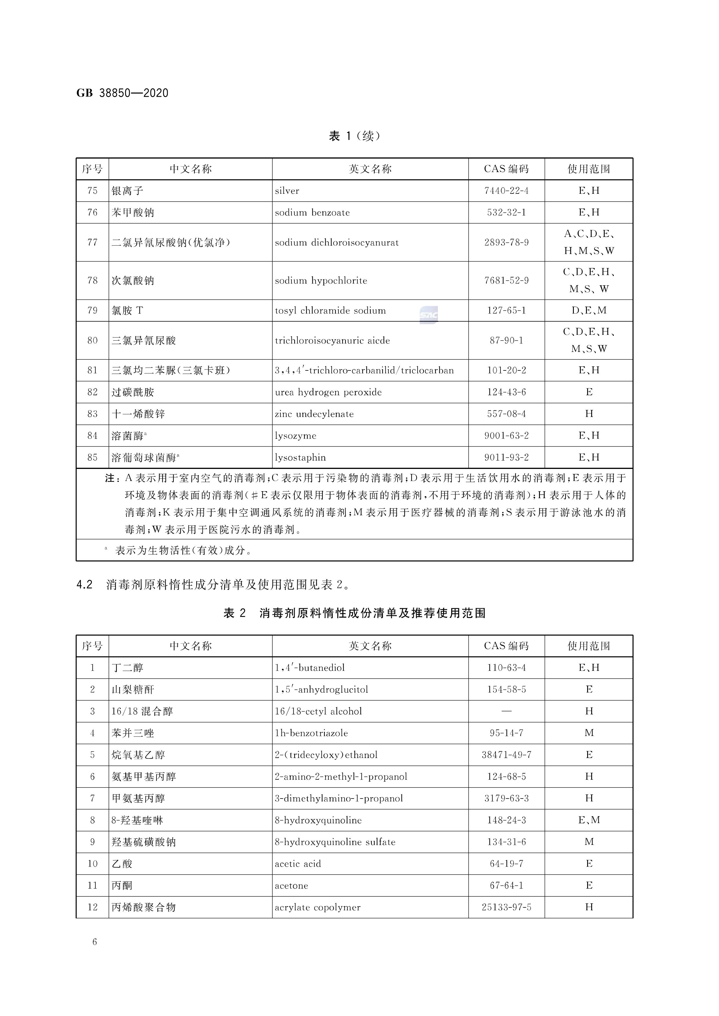
2020年最新消毒(卫生)用品原料清单
日期:
2020-10-20 12:04
作者:
admin
浏览:
上一篇:没有了
下一篇:医保逼药店停止销售非药品,就是“懒政”现像
相关新闻
医保逼药店停止销售非药品,就是“懒政”现像
2020-10-20
2020年最新消毒(卫生)用品原料清单
2020-10-20
信息发布
行业动态
公司新闻
权威发布
版权发布
信息发布
版权图片,违法必究!
03/10
南京百澳特与(英国)牛津研发
10/20
医保逼药店停止销售非药品,就
10/20
2020年最新消毒(卫生)用
10/20
公司授权委托杭州淘盾网络科技
10/20
联系我们
QQ:1284586055
手机:15366132557
电话:025-84507821
邮箱:1284586055@qq.com
地址:江苏省南京市秦淮区中华路127号8001室
分享
手机
分类
顶部
关闭
1284586055
1284586055
1284586055
关闭
用手机扫描二维码
关闭